Mk6 Golf Handbrake Cable Replacement . Check that both wheels turn freely. Removing and installing handbrake cable > < handbrake. today i'm replacing the parking brake cable on my golf. i'm trying to replace the r/h handbrake cable on my 2011 golf estate but i've run into a bit of a problem. I took apart everything which took around 30 min and. in this video i'm going to try replacing the parking brake cable and see. The rubber boot at the tail end cracked, and the water that leaks inside freezes. i was replacing the cables entirely so i didn't mess around.
from workshop-manuals.com
i was replacing the cables entirely so i didn't mess around. Check that both wheels turn freely. today i'm replacing the parking brake cable on my golf. The rubber boot at the tail end cracked, and the water that leaks inside freezes. Removing and installing handbrake cable > < handbrake. in this video i'm going to try replacing the parking brake cable and see. I took apart everything which took around 30 min and. i'm trying to replace the r/h handbrake cable on my 2011 golf estate but i've run into a bit of a problem.
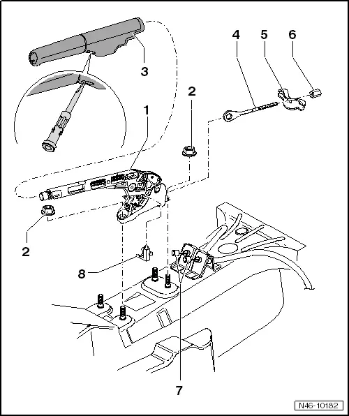
Volkswagen Service and Repair Manuals > Golf Mk6 > Brake
Mk6 Golf Handbrake Cable Replacement Check that both wheels turn freely. The rubber boot at the tail end cracked, and the water that leaks inside freezes. I took apart everything which took around 30 min and. Check that both wheels turn freely. in this video i'm going to try replacing the parking brake cable and see. Removing and installing handbrake cable > < handbrake. i'm trying to replace the r/h handbrake cable on my 2011 golf estate but i've run into a bit of a problem. i was replacing the cables entirely so i didn't mess around. today i'm replacing the parking brake cable on my golf.
From workshop-manuals.com
Volkswagen Service and Repair Manuals > Golf Mk6 > Brake Mk6 Golf Handbrake Cable Replacement The rubber boot at the tail end cracked, and the water that leaks inside freezes. I took apart everything which took around 30 min and. today i'm replacing the parking brake cable on my golf. in this video i'm going to try replacing the parking brake cable and see. Removing and installing handbrake cable > < handbrake. . Mk6 Golf Handbrake Cable Replacement.
From www.howacarworks.com
Replacing a handbrake cable How a Car Works Mk6 Golf Handbrake Cable Replacement i'm trying to replace the r/h handbrake cable on my 2011 golf estate but i've run into a bit of a problem. today i'm replacing the parking brake cable on my golf. I took apart everything which took around 30 min and. i was replacing the cables entirely so i didn't mess around. The rubber boot at. Mk6 Golf Handbrake Cable Replacement.
From www.vwbreakers.co.uk
Volkswagen Golf MK6 20092012 GTI Handbrake Mechanism Store Used Mk6 Golf Handbrake Cable Replacement in this video i'm going to try replacing the parking brake cable and see. Check that both wheels turn freely. today i'm replacing the parking brake cable on my golf. I took apart everything which took around 30 min and. i was replacing the cables entirely so i didn't mess around. i'm trying to replace the. Mk6 Golf Handbrake Cable Replacement.
From www.ebay.co.uk
Handbrake Cable fits MAZDA 323 Mk6 1.5 Front 98 to 04 Hand Brake Mk6 Golf Handbrake Cable Replacement i was replacing the cables entirely so i didn't mess around. The rubber boot at the tail end cracked, and the water that leaks inside freezes. Check that both wheels turn freely. Removing and installing handbrake cable > < handbrake. today i'm replacing the parking brake cable on my golf. in this video i'm going to try. Mk6 Golf Handbrake Cable Replacement.
From www.fordxr6turbo.com
Photo Essay Handbrake Cable & Adjustment Brakes Ford XR6 Mk6 Golf Handbrake Cable Replacement today i'm replacing the parking brake cable on my golf. Removing and installing handbrake cable > < handbrake. in this video i'm going to try replacing the parking brake cable and see. Check that both wheels turn freely. The rubber boot at the tail end cracked, and the water that leaks inside freezes. I took apart everything which. Mk6 Golf Handbrake Cable Replacement.
From www.vwbreakers.co.uk
Volkswagen Golf MK6 20092012 Handbrake Mechanism 1K0711303m Store Mk6 Golf Handbrake Cable Replacement I took apart everything which took around 30 min and. Removing and installing handbrake cable > < handbrake. Check that both wheels turn freely. i'm trying to replace the r/h handbrake cable on my 2011 golf estate but i've run into a bit of a problem. in this video i'm going to try replacing the parking brake cable. Mk6 Golf Handbrake Cable Replacement.
From www.howacarworks.com
Replacing a handbrake cable How a Car Works Mk6 Golf Handbrake Cable Replacement Removing and installing handbrake cable > < handbrake. I took apart everything which took around 30 min and. Check that both wheels turn freely. today i'm replacing the parking brake cable on my golf. i'm trying to replace the r/h handbrake cable on my 2011 golf estate but i've run into a bit of a problem. The rubber. Mk6 Golf Handbrake Cable Replacement.
From www.vwbreakers.co.uk
Volkswagen Golf MK6 20092012 GTI Handbrake Mechanism Store Used Mk6 Golf Handbrake Cable Replacement Removing and installing handbrake cable > < handbrake. The rubber boot at the tail end cracked, and the water that leaks inside freezes. I took apart everything which took around 30 min and. i was replacing the cables entirely so i didn't mess around. today i'm replacing the parking brake cable on my golf. in this video. Mk6 Golf Handbrake Cable Replacement.
From club.autodoc.co.uk
How to change hand brake cable on a car replacement tutorial Mk6 Golf Handbrake Cable Replacement The rubber boot at the tail end cracked, and the water that leaks inside freezes. I took apart everything which took around 30 min and. i'm trying to replace the r/h handbrake cable on my 2011 golf estate but i've run into a bit of a problem. in this video i'm going to try replacing the parking brake. Mk6 Golf Handbrake Cable Replacement.
From www.youtube.com
How to Replace & Adjust Hand Brake Cables YouTube Mk6 Golf Handbrake Cable Replacement i'm trying to replace the r/h handbrake cable on my 2011 golf estate but i've run into a bit of a problem. Check that both wheels turn freely. The rubber boot at the tail end cracked, and the water that leaks inside freezes. I took apart everything which took around 30 min and. today i'm replacing the parking. Mk6 Golf Handbrake Cable Replacement.
From workshop-manuals.com
Volkswagen Manuals > Golf Mk6 > Brake systems > Brake, brake Mk6 Golf Handbrake Cable Replacement i'm trying to replace the r/h handbrake cable on my 2011 golf estate but i've run into a bit of a problem. i was replacing the cables entirely so i didn't mess around. I took apart everything which took around 30 min and. in this video i'm going to try replacing the parking brake cable and see.. Mk6 Golf Handbrake Cable Replacement.
From www.aliexpress.com
BBQFUKA Leather Handbrake Parking Handle Cover Replacement Interior Mk6 Golf Handbrake Cable Replacement i'm trying to replace the r/h handbrake cable on my 2011 golf estate but i've run into a bit of a problem. The rubber boot at the tail end cracked, and the water that leaks inside freezes. today i'm replacing the parking brake cable on my golf. i was replacing the cables entirely so i didn't mess. Mk6 Golf Handbrake Cable Replacement.
From www.youtube.com
MK6 VW GTI Parking Brake/Handbrake Cable Replacement YouTube Mk6 Golf Handbrake Cable Replacement Removing and installing handbrake cable > < handbrake. in this video i'm going to try replacing the parking brake cable and see. i was replacing the cables entirely so i didn't mess around. The rubber boot at the tail end cracked, and the water that leaks inside freezes. I took apart everything which took around 30 min and.. Mk6 Golf Handbrake Cable Replacement.
From www.autoguru.com.au
Handbrake cable replacement AutoGuru Mk6 Golf Handbrake Cable Replacement in this video i'm going to try replacing the parking brake cable and see. Check that both wheels turn freely. I took apart everything which took around 30 min and. The rubber boot at the tail end cracked, and the water that leaks inside freezes. today i'm replacing the parking brake cable on my golf. i'm trying. Mk6 Golf Handbrake Cable Replacement.
From shopee.com.my
Volkswagen Golf MK6, Scirocco & EOS Carbon Fiber Handbrake Cover Mk6 Golf Handbrake Cable Replacement i was replacing the cables entirely so i didn't mess around. in this video i'm going to try replacing the parking brake cable and see. The rubber boot at the tail end cracked, and the water that leaks inside freezes. I took apart everything which took around 30 min and. i'm trying to replace the r/h handbrake. Mk6 Golf Handbrake Cable Replacement.
From www.heritagepartscentre.com
Handbrake Cable 3460mm Heritage Parts Centre AU Mk6 Golf Handbrake Cable Replacement i was replacing the cables entirely so i didn't mess around. in this video i'm going to try replacing the parking brake cable and see. today i'm replacing the parking brake cable on my golf. I took apart everything which took around 30 min and. The rubber boot at the tail end cracked, and the water that. Mk6 Golf Handbrake Cable Replacement.
From www.newkidscar.com
Brake cables Checking and Renewing or Handbrake Cable Replacement Mk6 Golf Handbrake Cable Replacement Removing and installing handbrake cable > < handbrake. i'm trying to replace the r/h handbrake cable on my 2011 golf estate but i've run into a bit of a problem. i was replacing the cables entirely so i didn't mess around. The rubber boot at the tail end cracked, and the water that leaks inside freezes. today. Mk6 Golf Handbrake Cable Replacement.
From www.howacarworks.com
Replacing a handbrake cable How a Car Works Mk6 Golf Handbrake Cable Replacement in this video i'm going to try replacing the parking brake cable and see. i'm trying to replace the r/h handbrake cable on my 2011 golf estate but i've run into a bit of a problem. Removing and installing handbrake cable > < handbrake. i was replacing the cables entirely so i didn't mess around. The rubber. Mk6 Golf Handbrake Cable Replacement.